JDZ9-6Q,JDZ9-3Q, JDZ9-10Q電壓互感器是戶內環氧樹脂澆注式支柱式全工況型產品,在額定頻率為50HZ,額定電壓為3/6/10KV以下的電力系統中作繼電保護或電能測量用。JDZ9-6Q,JDZ9-3Q,JDZ9-10Q電壓互感器為全封閉結構,采用戶內環氧樹脂真空澆注而成,具有耐電弧、耐紫外線、耐老化等特點。外形采用防雨傘群,表面爬電距離大,二次出現端子加有金屬保護罩密封,防雨、防塵、耐腐蝕,是老式油浸產品的理想替代品。JDZ9-6Q,JDZ9-3Q, JDZ9-10Q型電壓互感器為全封閉產品,一、二次繞組和鐵芯均澆注在環氧樹脂內,絕緣性能優良,耐潮濕。除JDZX9-3,6,10Q為半絕緣結構外,其余均為全絕緣結構。JDZX9-6QG,JDZX9-3QG, JDZX9-10QG互感器為單相雙線圈全封閉結構,采用環氧真空樹脂澆注成型,鐵芯采用優質冷軋硅鋼片繞成環形,一次和二次繞組均纏繞在鐵芯上,二次出線有接線護罩,護罩上有使用方便的出線槽。產品耐污穢、耐潮濕性能良好。
二、JDZ9-6Q,JDZ9-3Q、JDZ9-10Q工作條件:
1、環境溫度:最高溫度45℃,平均溫度不超過30℃,最低溫度:-45℃。
2、海拔高度不超過1000M(超過請著明)
3、接地方式:中性點非有效接地系統
4、大氣條件:無嚴重污染
三、JDZ9-6Q,JDZ9-3Q、JDZ9-10Q技術參數:
1、額定絕緣水平:3.6/23/40KV
2、負荷的功率因數:cosφ=0.8(滯后)
3、表面爬電距離:
4、產品標準:GB1208-2006《電磁式電壓互感器》
四、JDZ9-6Q,JDZ9-3Q、JDZ9-10Q注意事項:
1、電壓互感器一次有電流時,二次繞組不能短路,否則互感器將燒毀。
2、一次繞組的重復工頻耐壓,試驗應在規定試驗電壓值得80%以下進行
額定絕緣水平:JDZ9-6型7.2/32/60kV
JDZ9-10型12/42/75kV
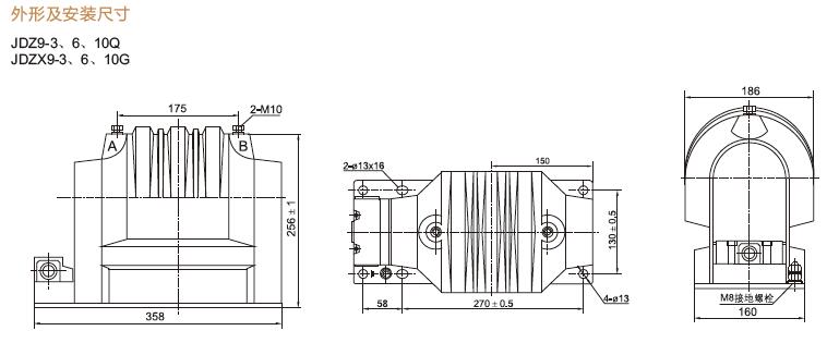
五、JDZ9-6Q,JDZ9-3Q、JDZ9-10Q電流互感器產品外形及安裝尺寸

六、JDZ9-6Q,JDZ9-3Q、JDZ9-10Q電流互感器接線圖


七、JDZ9-6Q,JDZ9-3Q、JDZ9-10Q戶內電壓互感器型號推薦
JDZ(X)-10 JDZW-10R JDZW-20R JDZW3-3、6、10
JDZXW-35 JDZ(X)W-35(G) JSZXW-10R-三相電壓互感器
JDZ16-3、6、10 JDZ(X)10-3、6、10A1(G) JDZX9-35 JSZVR-3、6、10W
JSZVR-3、6、10W JDZ16-3、6、10 JDZ(J)-3、6、10Q JDZX10-3、6、10
JDZ10-3、6、10A1 JDZX9-3、6-10Q JDZX9-3、6-10Q(G) JDZX18-3、6、10R1
JSZV12A-3、6、10R JSZVR-3、6、10W JDZ(X)11-15、20(G) LDZX11-35R
八、JDZ9-6Q,JDZ9-3Q、JDZ9-10Q戶內電壓互感器原理
電壓互感器一種電壓變換裝置。它將高電壓變換為低電壓,以便用低壓量值反映高壓量值的變化。因此,通過電壓互感器可以直接用普通電氣儀表進行電壓測量。
1、電壓互感器又稱儀用變壓器,是一種電壓變換裝置;
2、電壓互感器的容量很小,通常只有幾十到幾百伏安;
3、電壓互感器一次側電壓即電網電壓,不受二次負荷影響,并且大多數情況下其負荷是恒定的;
4、二次側負荷主要是儀表、繼電器線圈,它們的阻抗很大,通過的電流很少。如果無限期增加二次負荷,二次電壓會降低,造成測量誤錯增大;
5、用電壓互感器來間接測量電壓,能準確反映高壓側的量值,保證測量精度;
6、不管電壓互感器初級電壓有多高,其次級額定電壓一般都是100V,使得測量儀表和繼電器電壓線圈制造上得以標準化。而且保證了儀表測量和繼電保護工作的安全,也解決了高壓測量的絕緣、制造工藝等困難;
7、電壓互感器常用于變配電儀表測量和繼電保護等回路。
九、戶內電壓互感器符號
第一個字母:J——電壓互感器;
第二個字母:D——單相;S——三相
第三個字母:J——油浸;Z——澆注;
第四個字母:數字——電壓等級(KV)。
例如:JDJ-10表示單相油浸電壓互感器,額定電壓10KV。
額定一次電壓,作為互感器性能基準的一次電壓值。
額定二次電壓,作為互感器性能基準的二次電壓值。額定變比,額定一次電壓與額定二次電壓之比。
準確級,由互感器系統定的等級,其誤差在規定使用條件下應在規定的限值之內負荷,二次回路的阻抗,通常以視在功率(VA)表示。額定負荷,確定互感器準確級可依據的負荷值
十、戶內電壓互感器作用
把高電壓按比例關系變換成100V或更低等級的標準二次電壓,供保護、計量、儀表裝置使用。同時,使用電壓互感器可以將高電壓與電氣工作人員隔離。電壓互感器雖然也是按照電磁感應原理工作的設備,但它的電磁結構關系與電流互感器相比正好相反。電壓互感器二次回路是高阻抗回路,二次電流的大小由回路的阻抗決定。當二次負載阻抗減小時,二次電流增大,使得一次電流自動增大一個分量來滿足一、二次側之間的電磁平衡關系。 可以說,電壓互感器是一個被限定結構和使用形式的特殊變壓器。
十一、戶內電壓互感器-浙江中拓高壓電器有限公司
浙江中拓高壓電器有限公司是一家主要從事研發、生產銷售110kV及以下戶內外高低壓互感器,鐵芯、絕緣件的專業廠家。公司的10-35kV戶內外互感器,銷遍全國各地,遠銷海外多個國家和地區,深受廣大用戶信賴和好評,10kV真空斷路器用互感器已成為國內柱上開關生產企業最優選擇合作單位。2007年自主研發的主推產品LZW32-10(12)型戶外保護用電流互感器,是目前國內同類型配套互感器主要生產商。