JDZ16-6、JDZ16-3、JDZ16-10電壓互感器為全封閉環氧樹脂澆注絕緣結構。一次繞組帶有熔斷器保護,熔斷電流與互感短路電流相匹配,配接肘型電纜插頭。由于一、二次均采用密封結構,既有效縮小了開關柜的體積,又具有良好的防污防潮能力。尤其適用于戶外環網柜。

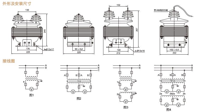
三、JDZ16-6、JDZ16-3、JDZ16-10戶外電壓互感器安裝尺寸及電壓互感器接線圖
把高電壓按比例關系變換成100V或更低等級的標準二次電壓,供保護、計量、儀表裝置使用。同時,使用電壓互感器可以將高電壓與電氣工作人員隔離。電壓互感器雖然也是按照電磁感應原理工作的設備,但它的電磁結構關系與電流互感器相比正好相反。電壓互感器二次回路是高阻抗回路,二次電流的大小由回路的阻抗決定。當二次負載阻抗減小時,二次電流增大,使得一次電流自動增大一個分量來滿足一、二次側之間的電磁平衡關系。 可以說,電壓互感器是一個被限定結構和使用形式的特殊變壓器。
五、JDZ16-6、JDZ16-3、JDZ16-10戶外電壓互感器型號推薦
JDZ(X)-10 JDZW-10R JDZW-20R JDZW3-3、6、10
JDZXW-35 JDZ(X)W-35(G) JSZXW-10R-三相電壓互感器
六、JDZ16-6、JDZ16-3、JDZ16-10戶外電壓互感器原理
電壓互感器一種電壓變換裝置。它將高電壓變換為低電壓,以便用低壓量值反映高壓量值的變化。因此,通過電壓互感器可以直接用普通電氣儀表進行電壓測量。
1、電壓互感器又稱儀用變壓器,是一種電壓變換裝置;
2、電壓互感器的容量很小,通常只有幾十到幾百伏安;
3、電壓互感器一次側電壓即電網電壓,不受二次負荷影響,并且大多數情況下其負荷是恒定的;
4、二次側負荷主要是儀表、繼電器線圈,它們的阻抗很大,通過的電流很少。如果無限期增加二次負荷,二次電壓會降低,造成測量誤錯增大;
5、用電壓互感器來間接測量電壓,能準確反映高壓側的量值,保證測量精度;
6、不管電壓互感器初級電壓有多高,其次級額定電壓一般都是100V,使得測量儀表和繼電器電壓線圈制造上得以標準化。而且保證了儀表測量和繼電保護工作的安全,也解決了高壓測量的絕緣、制造工藝等困難;
7、電壓互感器常用于變配電儀表測量和繼電保護等回路。
七、JDZ16-6、JDZ16-3、JDZ16-10戶外電壓互感器分類
一. 按用途分
測量用電壓互感器(或電壓互感器的測量繞組。在正常電壓范圍內,向測量、計量裝置提供電網電壓信息。
保護用電壓互感器(或電壓互感器的保護繞組。在電網故障狀態下,向繼電保護等裝置提供電網故障電壓信息。
二.按絕緣介質分
干式電壓互感器。由普通絕緣材料浸漬絕緣漆作為絕緣,多用在及以下低電壓等級。
澆注絕緣電壓互感器。由環氧樹脂或其他樹脂混合材料澆注成型,多用在及以下電壓等級。
油浸式電壓互感器。由絕緣紙和絕緣油作為絕緣,是我國最常見的結構型式,常用于及以下電壓等級。
氣體絕緣電壓互感器。由氣體作主絕緣,多用在較高電壓等級。
通常專供測量用的低電壓互感器是干式,高壓或超高壓密封式氣體絕緣(如六氟化硫)互感器也是干式。澆注式適用于35kV及以下的電壓互感器,35kV以上的產品均為油浸式。
三.按相數分
絕大多數產品是單相的,因為電壓互感器容量小,器身體積不大,三相高壓套管間的內外絕緣要求難以滿足,所以只有3-15kV的產品有時采用三相結構。
四.按電壓變換原理分
電磁式電壓互感器。根據電磁感應原理變換電壓,原理與基本結構和變壓器完全相似,我國多在及以下電壓等級采用。
電容式電壓互感器。由電容分壓器、補償電抗器、中間變壓器、阻尼器及載波裝置防護間隙等組成,用在中性點接地系統里作電壓測量、功率測量、繼電防護及載波通訊用。
光電式電壓互感器。通過光電變換原理以實現電壓變換,目前還在研制中。
五.按使用條件分
戶內型電壓互感器。安裝在室內配電裝置中,一般用在及以下電壓等級。
戶外型電壓互感器。安裝在戶外配電裝置中,多用在及以上電壓等級。
六.按一次繞組對地運行狀態分
一次繞組接地的電壓互感器。單相電壓互感器一次繞組的末端或三相電壓互感器一次繞組的中性點直接接地。
一次繞組不接地的電壓互感器。單相電壓互感器一次繞組兩端子對地都是絕緣的;三相電壓互感器一次繞組的各部分,包括接線端子對地都是絕緣的,而且絕緣水平與額定絕緣水平一致。
七.按磁路結構分
單級式電壓互感器。一次繞組和二次繞組(根據需要可設多個二次繞組同繞在一個鐵芯上,鐵芯為地電位。我國在及以下電壓等級均用單級式。
串級式電壓互感器。一次繞組分成幾個匝數相同的單元串接在相與地之間,每一單元有各自獨立的鐵芯,具有多個鐵芯,且鐵芯帶有高電壓,二次繞組(根據需要可設多個二次繞組處在最末一個與地連接的單元。我國目前在電壓等級常用此種結構型式。
組合式互感器
由電壓互感器和電流互感器組合并形成一體的互感器稱為組合式互感器,也有把與組合電器配套生產的互感器稱為組合式互感器。
八、JDZ16-6、JDZ16-3、JDZ16-10戶外電壓互感器符號
第一個字母:J——電壓互感器;
第二個字母:D——單相;S——三相
第三個字母:J——油浸;Z——澆注;
第四個字母:數字——電壓等級(KV)。
例如:JDJ-10表示單相油浸電壓互感器,額定電壓10KV。
額定一次電壓,作為互感器性能基準的一次電壓值。
額定二次電壓,作為互感器性能基準的二次電壓值。額定變比,額定一次電壓與額定二次電壓之比。
準確級,由互感器系統定的等級,其誤差在規定使用條件下應在規定的限值之內負荷,二次回路的阻抗,通常以視在功率(VA)表示。額定負荷,確定互感器準確級可依據的負荷值
九、戶外電壓互感器廠家-浙江中拓高壓電器有限公司
浙江中拓高壓電器有限公司是一家主要從事研發、生產銷售110kV及以下戶內外高低壓互感器,鐵芯、絕緣件的專業廠家。公司的10-35kV戶內外互感器,銷遍全國各地,遠銷海外多個國家和地區,深受廣大用戶信賴和好評,10kV真空斷路器用互感器已成為國內柱上開關生產企業最優選擇合作單位。2007年自主研發的主推產品LZW32-10(12)型戶外保護用電流互感器,是目前國內同類型配套互感器主要生產商。浙江中拓高壓網址:http://www.sanban1688.com.cn/,聯系電話:13868715829,商務QQ:40378900,歡迎來電咨詢定制。