ZW7-35真空斷路器專用LZZBJ4-35 支柱式電流互感器
LZZBJ4-35型支柱式電流互感器是針對目前正在運行的同類產品在安裝和使用過程中出現的諸多質量問題及缺陷而改進設計的全封閉支柱式新產品。供額定頻率為50Hz、額定電壓為35kV及以下戶外真空斷路器中作電流、電能測量及繼電保護用。
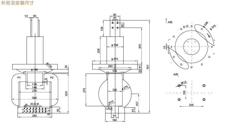
LZZBJ4-35型電流互感器為電工級環氧樹脂整體澆注成型、全封閉、支柱式結構,由于采用電工級環氧樹脂澆注,產品具有體積小、重量輕絕緣強度高、耐潮濕、免維護等特點。計量及測量級繞組均采用具有高導磁率、低矯頑力、低損耗及溫度穩定性的超微晶圓環鐵芯繞制,使產品在不同環境溫度下的誤差都在準確等級范圍之內,從而保證了計量、測量的準確性,同時也保證了儀表保安系數FS≤10的要求;保護級鐵芯采用具有高導磁率、高飽和磁感應強度的優質冷軋硅鋼片卷制而成,確保了保護級繞組的準確限制系數及復合誤差性能。產品的高壓繞組接線端在頂部,整體用上部法蘭盤固定安裝,下部底板用四個M10的螺栓做輔助支撐。產品符合IEC60044-1及GB1208《電流互感器》標準。LZZBJ4-35型電流互感器為全封閉支柱式結構,是ZW7-35真空斷路器專用互感器。


五、LZZBJ4-35支柱式電流互感器技術參數
1.產品符合標準GB1208和IEC185
2.額定絕緣水平:40.5/95/185KV
3.額定頻率:50HZ、60HZ
4.額定二次電流:5A、1A
5.可制做測量級為0.2S或0.5S的高精度電流互感器
6.配35KV戶外真空斷路器ZW7-35
電流互感器 - 使用注意事項電流互感器運行時,副邊不允許開路。因為一旦開路,原邊電流均成為勵磁電流,使磁通和副邊電壓大大超過正常值而危及人身和設備安全。因此,電流互感器副邊回路中不許接熔斷器,也不允許在運行時未經旁路就拆下電流表、繼電器等設備。
電流互感器運行時,副邊不允許開路。原因如下:
⒈電流互感器一次被測電流磁勢I1N1在鐵芯產生磁通Φ1
⒉電流互感器二次測量儀表電流磁勢I2N2在鐵芯產生磁通Φ2
⒊電流互感器鐵芯合磁通:Φ = Φ1 + Φ2
⒋因為Φ1.Φ2方向相反,大小相等,互相抵消,所以 Φ = 0
⒌若二次開路,即 I2 = 0 ,則:Φ = Φ1,電流互感器鐵芯磁通很強,飽和,鐵心發熱,燒壞絕緣,產生漏電
⒍若二次開路,即 I2 = 0 ,則:Φ = Φ1,Φ在電流互感器二次線圈N2中產生很高的感生電勢e,在電流互感器二次線圈兩端形成高壓,危及操作人員生命安全
⒎電流互感器二次線圈一端接地,就是為了防止高壓危險而采取的保護措施。
電流互感器是一種特殊的變壓器,它被廣泛應用于供電系統中向測量儀表和繼電器的電壓線圈或電流線圈供電。
電流互感器的作用:
(1)將一次回路的高電壓和大電流變為二次回路標準的低電壓和小電流,使測量儀表和保護裝置標準化、小型化,并使其結構輕巧、價格便宜,并便于屏內安裝。
(2)隔離高壓電路。互感器一次側和二次側沒有電的聯系,只有磁的聯系。使二次設備與高電壓部分隔離,且互感器二次側均接地,從而保證了設備和人身的安全.
要注意的是,互感器在線路中二次側(接電流表的那一邊)是絕對不允許開路的(斷開接線),否則有可能會因為二次側的高電壓而發生危險或事故。
八、支柱式電流互感器選型推薦
LZZBJ12-10A、B、C LZZB-10 LZZBJ9-10A1G、B1、C1
LZZB9-24/220b/2 LZZBW-10(12) LZZBJ4-35
LZZB9-35D LZZB7-35 LZZBW-10(12)
九、支柱式電流互感器生產廠家-浙江中拓高壓戶外電流互感器公司簡介
浙江中拓高壓電器有限公司是一家主要從事研發、生產銷售110kV及以下戶內外高低壓互感器,鐵芯、絕緣件的專業廠家。公司的10-35kV戶內外互感器,銷遍全國各地,遠銷海外多個國家和地區,深受廣大用戶信賴和好評,10kV真空斷路器用互感器已成為國內柱上開關生產企業最優選擇合作單位。2007年自主研發的主推產品LZW32-10(12)型戶外保護用電流互感器,是目前國內同類型配套互感器主要生產商。浙江中拓高壓網址:http://www.sanban1688.com.cn/,聯系電話:13868715829,商務QQ:40378900,歡迎來電咨詢定制。